zurück zur Trefferliste



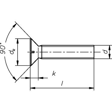
 Antrieb
Schlitz Gewicht (kg)
0,002 Gewinde metrisch
M 4 Güte
4.8 Höhe Kopf (mm)
2,2 Länge gesamt (mm)
20 Marke
sonstige Material
Stahl Norm DIN
963 Oberfläche
verzinkt Senkwinkel (°)
90 VPE (Stück)
1Sie haben noch keinen Onlineshopzugang?


