Powrót do listy wyników
Długość (mm)
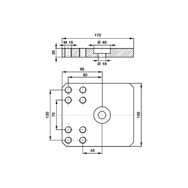
170 Informacja 1
stal z powłoką KTL Liczba otworów
9 Marka
BPW Miejsce montażu góra/dół
z dołu Nr porówn.
BPW 03.280.95.03.0 Przesunięcie otworów (mm)
4580
Rozstaw otworów (mm)
12070
Szerokość (mm)
150 Waga (kg)
3,523 Wysokość (mm)
20 Zastosowanie
do miecha zawieszenia pneumatycznego ø dolna (mm)
18 ø górna (mm)
40









