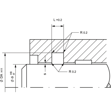
primarily for sealing plungers and cylinders to ISO 6020/II (compact cylinders) and also well suited for use in mobile hydraulics
The seal with compact profile can be installed without a back-up ring. Due to its radial pretension, the sealing lip intensively wipes off the liquid film. This provides an excellent sealing effect during low pressure or pressureless movement of the rod. On the other hand, the high-strength basic material is also capable of handling high pressures without any problems.











