Back to search results
scope of delivery for complete screw connection: union, cutting ring and union nuts
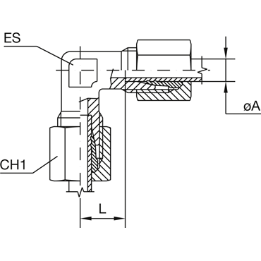
Angle (°)
90 Brand
other For ø pipe A (mm)
12 Length L (mm)
17 Material
steel Operating pressure (bar)
315 Production series
light Standard DIN
2353 Standard ISO
8434-18434-4
Surface
Cr6-free galvanized Thread external A metric
M 18x1,5 Tube AD series
12 L Type
W Weight (kg)
0,13 Width across flats body ES (mm)
19 Width across flats nut CH1 (mm)
22









